需维护阳螺纹杆端轴承

  关节轴承    |    上海艺霖轴承有限公司

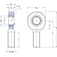
需维护阳螺纹杆端轴承
这种 SKF 杆端轴承包含带有钢对钢滑动接触面组合的球面滑动轴承。


 轴承需要维护,可以从侧面补充润滑。 提供左旋(前缀 SAL)或右旋的阳螺纹。
适合静载、交替载荷或冲击重载;简单,安装方便